Здравейте.
От известно време от остта (долния край) на сектора тече масло.
Може ли изходящия вал да се демонтира на място? Ако се развие долната гайка и се избие рамото на хебела от шлиците ще може ли вала да се извади от горе?*
Ето и самия сектор....
*

**
Ако някой е разглобявал такава нека пише. Благодаря за инфото...
Поздрави.
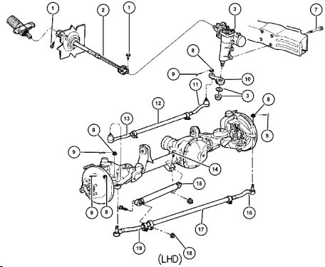
От известно време от остта (долния край) на сектора тече масло.
Може ли изходящия вал да се демонтира на място? Ако се развие долната гайка и се избие рамото на хебела от шлиците ще може ли вала да се извади от горе?*
Ето и самия сектор....
*
Ако някой е разглобявал такава нека пише. Благодаря за инфото...
Поздрави.
Коментар